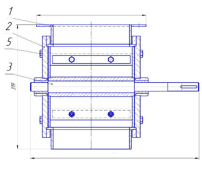
Устройство
Затвор чугунный Ду 100 Ру 16 – задвижка, отлитая из чугуна. Она регулирует рабочий поток в трубах. Функционирует в системах с высоким давлением.
Выполняемые функции:
- регулировка давления в системе;
- перераспределение рабочего вещества;
- блокировка рабочего потока.
Приобрести товар
Вы можете оставить заявку на сайте – наш специалист перезвонит вам в течение нескольких минут и даст исчерпывающую консультацию. Также вы можете связаться с нами по телефону. Оборудование поставляется с нашего завода-изготовителя в полной комплектации, со всеми необходимыми документами и гарантией.

